Triumph logo

1974-5 Triumph Bonneville T140V

drawing of bike



Click on the thumbnail to see the full-size image, which you can then save to your computer:

cover cover

specs specs more specs more specs

crank diagram crank crank parts crank parts

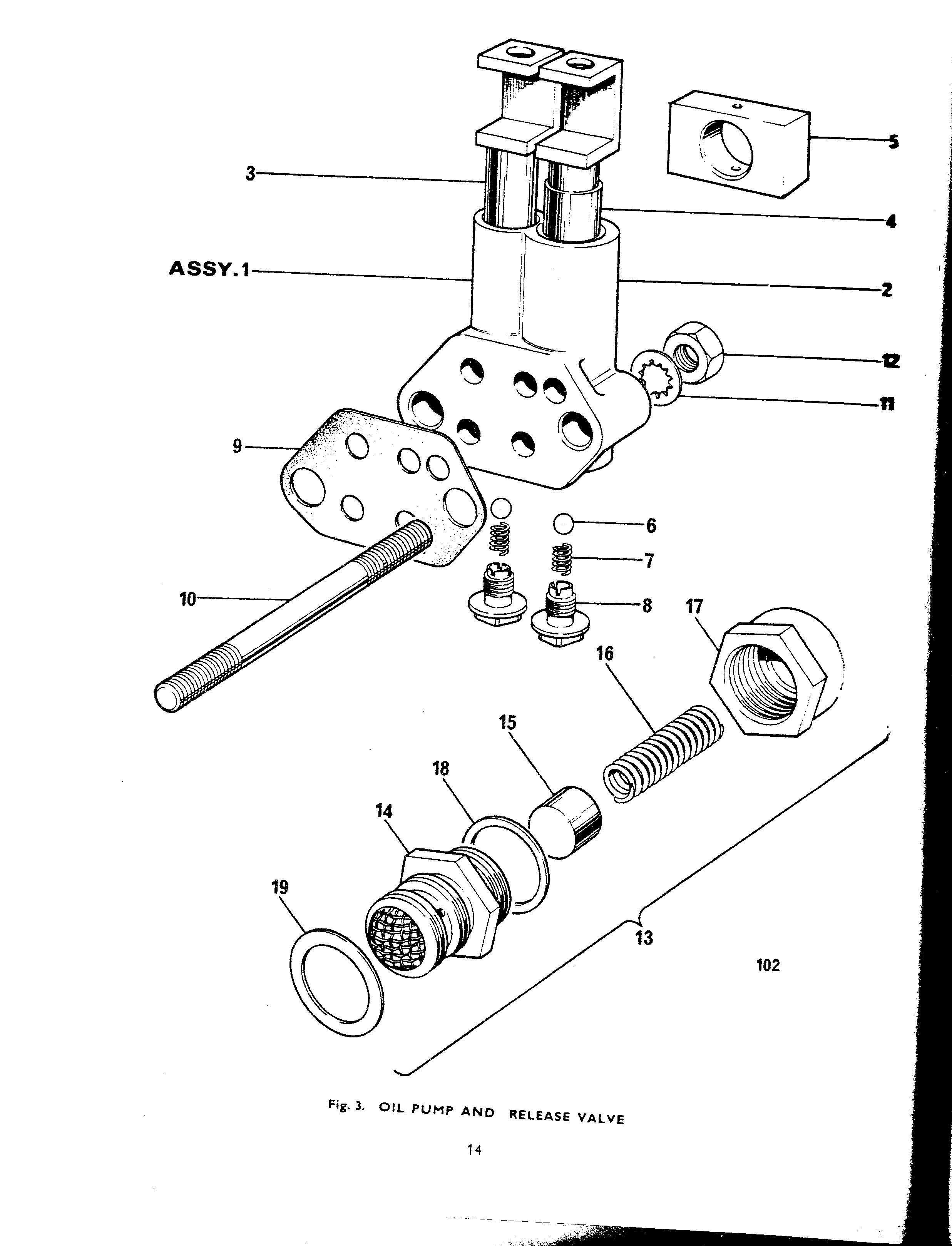
oil pump diagram oil pump oil pump parts parts

manifold & tappets diagram manifold & tappets manifold & tappets parts parts

block & head diagram block & head block & head parts parts more block & head parts more parts

carb diagram carb carb parts parts

tank & seat diagram tank & seat tank & seat parts parts

air filters diagram air filters air filters parts parts



point left Back to Bonneville page.

(1) The catalog says it's copyrighted, but doesn't cite a date or owner. I'm not sure what to make of that.